Type de porte-outil VDI de type E1

Serrage de haute précision: Fabriqué à partir de matériaux premium et de précision de précision pour minimiser le randonnée de l'outil, améliorant la précision d'usinage.

Rigidité supérieure: La conception structurelle renforcée réduit efficacement les vibrations, prolonge la durée de vie de l'outil et améliore l'efficacité de l'usinage.


détails du produit


Description du produit

Le support d'outil est un dispositif de serrage d'outils de haute précision et de haute stabilité conçu pour les machines CNC, les centres d'usinage et l'équipement de fraisage de précision. Sa structure unique garantit une excellente concentricité et rigidité pendant la rotation à grande vitesse, ce qui le rend idéal pour les opérations de coupe à haute précision.


Schéma de produit

Type de porte-outil VDI de type E1


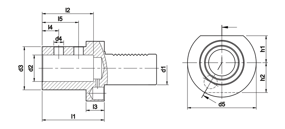
Paramètre du produit

Type de porte-outil VDI de type E1

Avantages du produit

Changement d'outil rapide: La conception ergonomique permet le remplacement rapide des outils, la minimisation des temps d'arrêt et l'augmentation de la productivité.

Large compatibilité: prend en charge divers types de fraises, des exercices et d'autres outils de coupe pour divers besoins d'usinage.

Résistant à l'usure et durable: les composants clés sont en alliage haute résistance pour des performances durables et des coûts de maintenance réduits.


Type de porte-outil VDI de type E1



Durabilité prolongée: Les composants critiques utilisent un acier en alliage spécial + durcissement de surface, augmentant la durée de vie de 50% vs porteurs standard.

Compatibilité intelligente: Les rainures d'identification intégrées (facultatives) permettent un changement d'outil automatisé pour la préparation à l'industrie 4.0.


Type de porte-outil VDI de type E1


Inspection de qualité

Jiehe Machinery possède une usine de production d'outils et un centre d'inspection et de test d'outils de premier plan en Chine, avec des capacités de fabrication se classant parmi le sommet. Nos équipements de production et de test de base comprennent GRB, Takisawa, Doosan, Haimer, Kelch, Zoller, MuTutoyo, etc., et nous possédons également la gamme complète des porte-outils standard et des jauges de porte-outils de Diebold allemand. L'utilisation de ces équipements garantit en outre la supériorité de notre efficacité de production et de notre qualité de produit.

Nous avons une ligne de production intelligente, qui garantit la stabilité de la qualité des produits et améliore considérablement l'efficacité de la production.


Type de porte-outil VDI de type E1

Type de porte-outil VDI de type E1


Photographies de produits dans l'atelier

Notre atelier maintient un inventaire robuste de produits semi-finis, garantissant une alimentation régulière et nous permettant de respecter des délais serrés avec vitesse et efficacité. Avec les processus de production rationalisés et une chaîne d'approvisionnement bien organisée, nous garantissons des temps de redressement rapides sans compromettre la qualité. Notre équipe expérimentée et nos installations de pointe nous permettent de répondre rapidement aux demandes des clients, offrant des solutions flexibles et une livraison rapide pour maintenir vos opérations en douceur.


Type de porte-outil VDI de type E1


Type de porte-outil VDI de type E1


Écran d'usine

Jining Jiehe Machinery Co., Ltd., créé en 2000, est une entreprise nationale de haute technologie et une entreprise axée sur la technologie provinciale et innovante. Spécialisée dans les accessoires CNC Machine Tool, la société propose plus de 1 000 variétés de produits, avec 60% des produits exportés. Avec plus de 200 machines CNC et une équipe de plus de 100 employés, Jiehe a obtenu plus de 30 brevets nationaux et est reconnu pour ses marques bien connues telles que CNCJIEHE, Sun Moon Lake et Goose. La société participe régulièrement à des expositions internationales à Pékin, Shanghai, les États-Unis, l'Allemagne, l'Italie et Tokyo, renforçant une forte présence mondiale sur le marché. En analysant les meilleures entreprises en Allemagne et au Japon, Jiehe a réalisé un développement rapide et établi une base complète de production et de R&D avec des filiales à Jining, Shandong, Suzhou et au-delà.


Type de porte-outil VDI de type E1

Type de porte-outil VDI de type E1

Type de porte-outil VDI de type E1

Type de porte-outil VDI de type E1

Type de porte-outil VDI de type E1


Laissez vos messages

Produits connexes

x

Produits populaires

x